
負載20kg
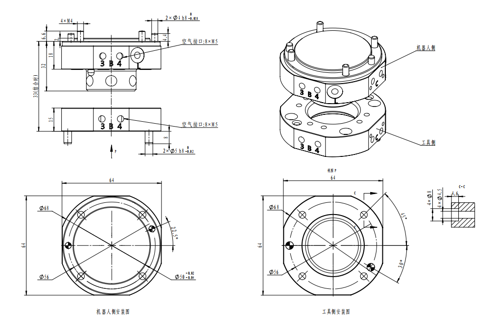
8路空氣通道,4個模塊安裝面
本體結合重量僅320g
外形尺寸Φ68mm×H33mm
法蘭直連安川-MH24、發那科-M10ia六軸機器人
基礎IO模塊、面檢測模塊、高頻模塊、外置傳感器模塊
本體部分 | 可搬運重量(額定負載) | 20kg | |
重復定位精度 | ±0.02mm | ||
靜態允許力矩 | 彎矩 | 56.8N·m | |
扭矩 | 78.4N·m | ||
材質Material | 本體 | 鋁合金 | |
鎖緊機構部分 | 合金鋼 | ||
外形尺寸(鎖緊時) | φ68mm×H33mm | ||
產品重量 | 主盤 | 220g | |
工具盤 | 100g | ||
含傳感器主盤重量 | 500g | ||
含傳感器工具盤重量 | 120g | ||
拆裝機構 | 彈簧自復位鎖緊 | ||
拆裝動作氣壓 | 0.45~0.8MPa(4~7kgf/cm2) | ||
允許溫度與濕度范圍 | 0-55°C,0-95% | ||
通用 | 空氣接口 | 8x M5 |