
負載2060kg
標準化模塊、多組模塊安裝面,強大的非標適配能力
適配主流焊接、鉚接、搬運、滾邊切換工藝
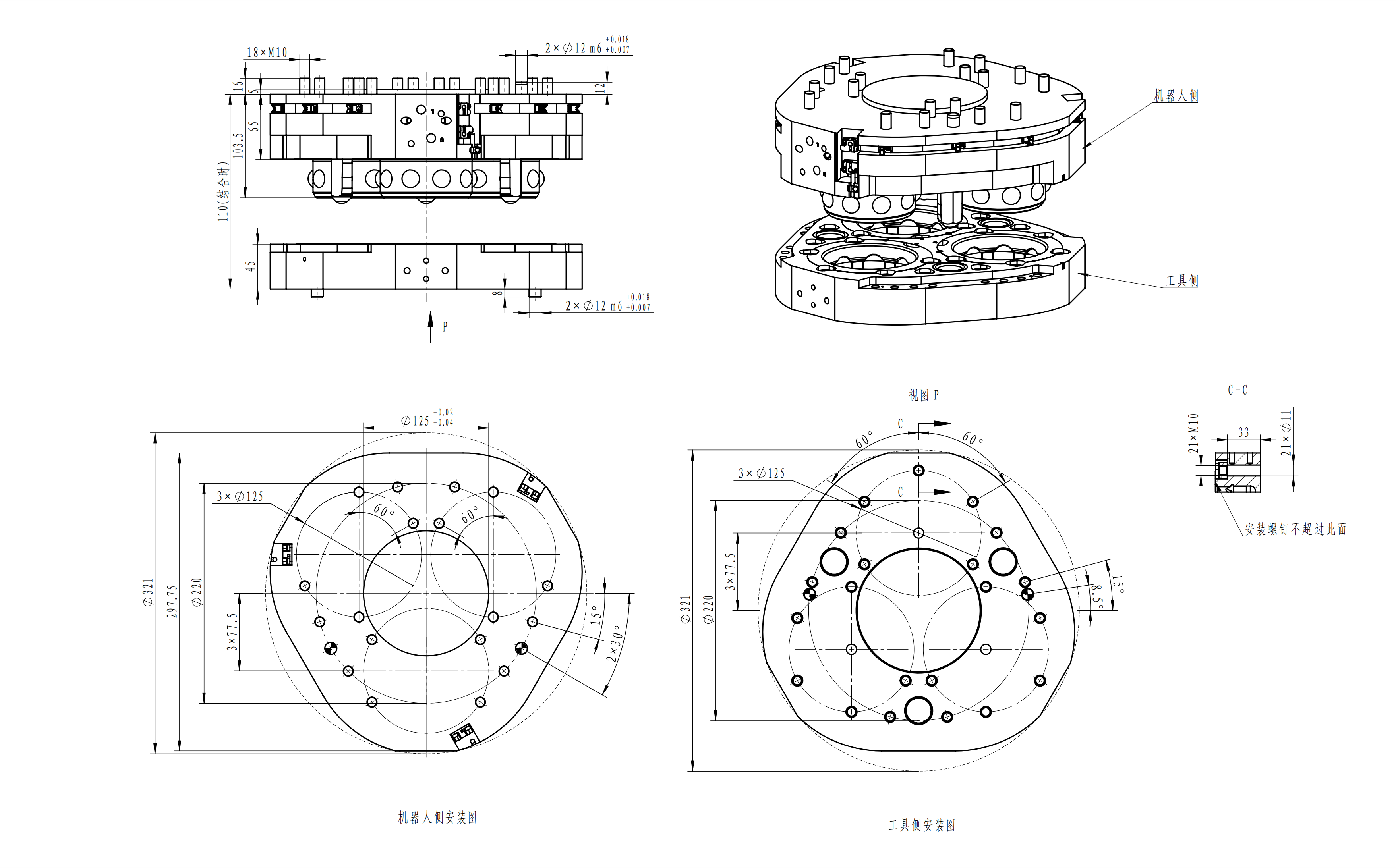
外形尺寸Φ321mm×H110mm
本體部分 | 可搬運重量(額定負載) | 2060kg | |
重復定位精度 | ±0.02mm | ||
靜態允許力矩 | 彎矩 | 12800N·m | |
扭矩 | 12800N·m | ||
材質 | 本體 | 鋁合金 | |
鎖緊機構部分 | 合金鋼 | ||
外形尺寸(鎖緊時) | φ321mmxH110mm | ||
產品重量 | 主盤 | 19kg | |
工具盤 | 7.3kg | ||
拆裝機構 | 彈簧自復位鎖緊 | ||
拆裝動作氣壓 | 0.45~0.8MPa | ||
允許溫度與濕度范圍 | 0-55°C,0-95% | ||
控制部分 | 氣缸動作傳感器 | 鎖緊動作確認 | 內置3個接近開關(直流三線式) |
松開動作確認 | 內置3個接近開關(直流三線式 ) | ||
面檢測傳感器 | 確認工具盤貼合到位 | 內置3個接近開關(直流三線式) |