
負載60kg
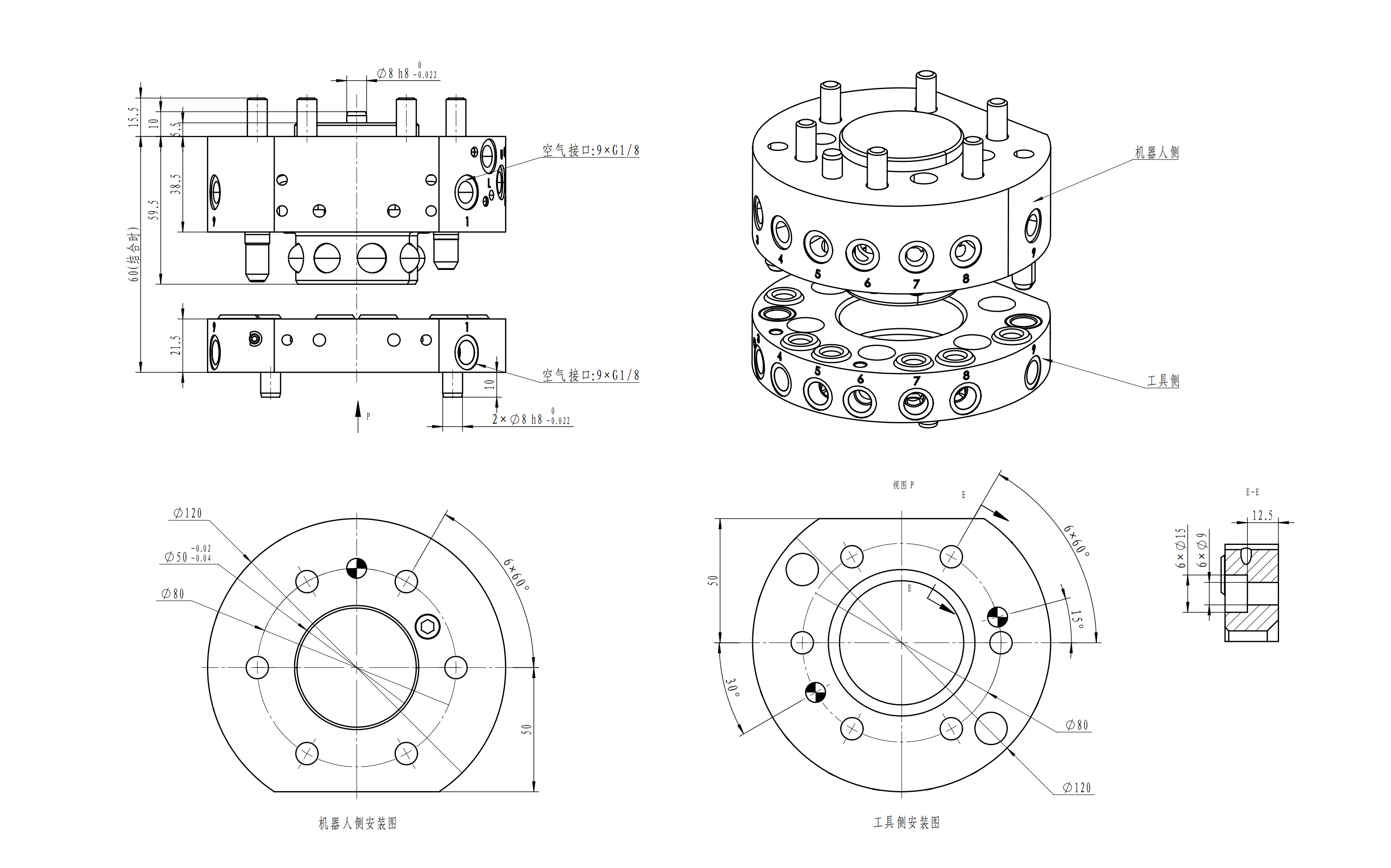
9路空氣通道,1個模塊安裝面
外形尺寸Φ120mm×H60mm
ISO標準法蘭,ISO9409-80-6-M8
基礎IO模塊,標準模塊最大支持IO-Max30點位
本體部分 | 可搬運重量(額定負載) | 60kg | |
重復定位精度 | ±0.02mm | ||
靜態允許力矩 | 彎矩 | 442N·m | |
扭矩 | 442N·m | ||
材質 | 本體 | 鋁合金 | |
鎖緊機構部分 | 合金鋼 | ||
外形尺寸 | Φ120mm×H60m | ||
產品重量 | 主盤 | 1588g | |
工具盤 | 410g | ||
拆裝機構 | 彈簧自復位鎖緊 | ||
拆裝動作氣壓 | 0.45~0.8MPa(4~7kgf/cm2) | ||
允許溫度與濕度范圍 | 0-55℃,0-95% | ||
通用 | 空氣接口 | 9×G1/8 | |
控制部分 | 拆卸確認傳感器 | 鎖緊動作確認 | 內置1個接近開關(直流三線式 |
松開動作確認 | 內置1個接近開關(直流三線式 | ||
面檢測傳感器 | 確認工具盤貼合到位 | 內置1個接近開關(直流三線式) | |
氣缸電磁閥(選配) | 氣路驅動 | 1個2位5通雙電控電磁閥(DC24V) | |
撥碼開關 | 識別工具編號 | 無 | |
安全開關 | 檢測工具停放到位 | 無 |