
負載120kg、150kg
6路空氣通道,3個模塊安裝面
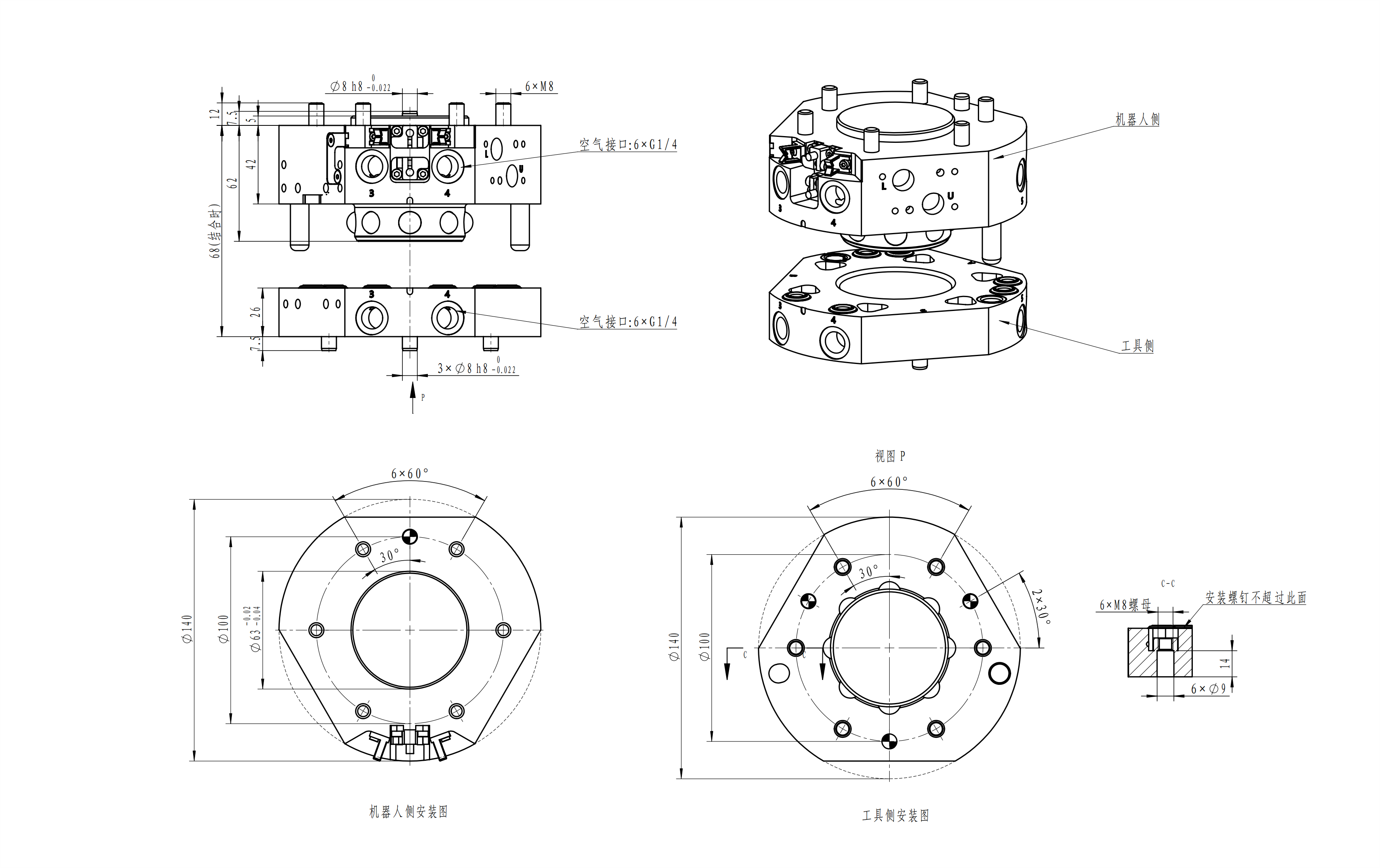
外形尺寸Φ140mm×H68mm
ISO標準法蘭,ISO9409-100-6-M8
基礎IO模塊,標準模塊最大分別支持IO-Max60點位,氣路-Max20路
本體部分 | 規格 | QT-120 | QT-120S | |
可搬運重量(額定負載) | 120kg | 150kg | ||
重復定位精度 | ±0.02mm | +0.02mm | ||
靜態允許力矩 | 彎矩 | 962N·m | 1260N·m | |
扭矩 | 962N·m | 1260N·m | ||
材質 | 本體 | 鋁合金 | 鋁合金 | |
鎖緊機構部分 | 合金鋼 | 合金鋼 | ||
外形尺寸(鎖緊時) | φ140mmxH68mm | φ140mmxH68mm | ||
產品重量 | 主盤 | 2.345kg | 2.345kg | |
工具盤 | 0.685kg | 0.8kg | ||
拆裝機構 | 彈簧自復位鎖緊 | |||
拆裝動作氣壓 | 0.45~0.8MPa | |||
允許溫度與濕度范圍 | 0-55°℃,0-95% | |||
通用 | 空氣接口 | 6×G1/4(非自密封) | ||
控制部分 | 氣缸動作傳感器 | 鎖緊動作確認 | 內置1個接近開關(直流三線式) | |
松開動作確認 | 內置1個接近開關(直流三線式) | |||
面檢測傳感器 | 確認工具盤貼合到位 | 內置1個接近開關(直流三線式) |