
負載40kg
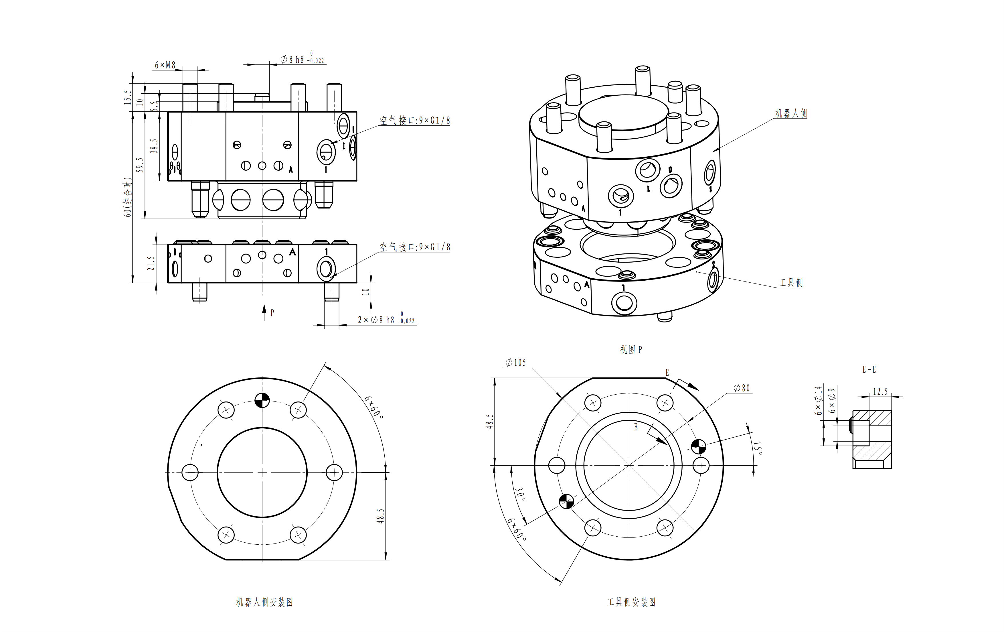
9路空氣通道,2個模塊安裝面
外形尺寸Φ105mm×H60mm
ISO標準法蘭,ISO9409-80-6-M8
基礎IO模塊,標準模塊最大支持IO-Max46點位
本體部分 | 可搬運重量(額定負載) | 40kg | |
重復定位精度 | ±0.02mm | ||
靜態(tài)允許力矩 | 彎矩 | 320N·m | |
扭矩 | 320N·m | ||
材質 | 本體 | 鋁合金 | |
鎖緊機構部分 | 合金鋼 | ||
外形尺寸(鎖緊時) | Φ105mm×H60mm | ||
產品重量 | 主盤 | 1364g | |
工具盤 | 316g | ||
拆裝機構 | 彈簧自復位鎖緊 | ||
拆裝動作氣壓 | 0.45~0.8MPa(4~7kgf/cm2) | ||
允許溫度與濕度范圍 | 0-55℃,0-95% | ||
鎖緊松開進氣口 | G1/8 | ||
控制部分Control body | 拆卸確認傳感器 | 鎖緊動作確認 | 內置1個接近開關(直流三線式) |
松開動作確認 | 內置1個接近開關(直流三線式) | ||
面檢測傳感器 | 確認工具盤貼合到位 | 內置1個接近開關(直流三線式) | |
通用 | 空氣接口 | 9 ×G1/8 | |
撥碼開關 | 識別工具編號 | 無None | |
安全開關 | 檢測工具停放到位 | 無None |